Xiong Z T,Tang X G,Zhang L Q,Li D D,Yu J H. 2023. Anomaly edge enhancement and topographic correction technology of linear source 3D borehole-to-surface electrical method. Acta Seismologica Sinica,45(1):46−61. DOI: 10.11939/jass.20220074
Citation: Xiong Z T,Tang X G,Zhang L Q,Li D D,Yu J H. 2023. Anomaly edge enhancement and topographic correction technology of linear source 3D borehole-to-surface electrical method. Acta Seismologica Sinica,45(1):46−61. DOI: 10.11939/jass.20220074

Anomaly edge enhancement and topographic correction technology of linear source 3D borehole-to-surface electrical method

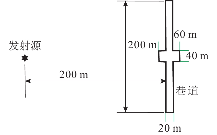
  • Based on the finite element method of unstructured grid, the efficient forward modeling of the borehole-to-surface electrical method derived by the linear current source under the condition of the 3D complex geoelectric model was carried out. The effects on the effectiveness and accuracy of the borehole-to-surface electrical method imaging were discussed by obtaining the electric field response derivative to characterize the boundary range of the target body, and using the difference field topography correction technology to eliminate the topographic influence. And the comparison between the numerical solution and the analytical solution verifies the effectiveness of the algorithm in this paper. The model calculation results show that the spatial position and direction of the roadway with water accumulation cause significant changes in the apparent resistivity, and the extreme value of the apparent resistivity change rate accurately and clearly indicates the boundary position of the roadway. The normalized total horizontal derivative of the electric potential greatly improves the ability of the borehole-to-surface electrical method to identify the complex boundary position of the target body. Moreover, the influence of topography on the distribution of borehole-to-surface electrical field is also serious, and its apparent resistivity response is approximately symmetrical to the shape of the topography. The difference field technique can effectively weaken the influence of topography on the high-precision imaging of the borehole-to-surface electrical method. The research results have important theoretical and practical significance for improving the data interpretation level and application effect of the borehole-to-surface electrical method.
  • loading

Catalog

    Turn off MathJax
    Article Contents

    /

    DownLoad:  Full-Size Img  PowerPoint
    Return
    Return